
目前汽車測試的波形日趨復雜,盡管標準中單一現象模擬仍然在進行測試,但真實環境下的整車或部件更受重視。普通的波形發生器無法滿足這些要求,特別是當一次測試中需要多種測試產生迭加時,AWG 100任意波形信號發生器是一種最好的選擇。
① 多序列振蕩器
·信號輸出部為積木式組件,可擴充到最多4個通道;
·可生成任意波形;( DC波形、斜波、正弦波、掃頻波、指數波、正弦波、不規則波無規律任意波)
·4個通道,每個通道之間可實現嚴格同步。
·可加載示波器存儲波形。
② 可生成任意波形的軟件
利用卓越的GUI任意波形生成軟件,能夠簡單地生成重復進行電壓、時間掃描的復雜波形
特點:
> 滿足IS0 16750標準的試驗及部分車廠標準;
> 每一振蕩通道裝有波形運算電路,可實現高分辨率高精度的波形輸出;
> 通過軟件控制(以太網)、可以簡單,真實地再現各種變動現象;
> 保證通道間波形的同步偏差小于1μs以下;
> 用示波器獲得的波形數據(CSV),也能以高精度輸出。
命名規則:
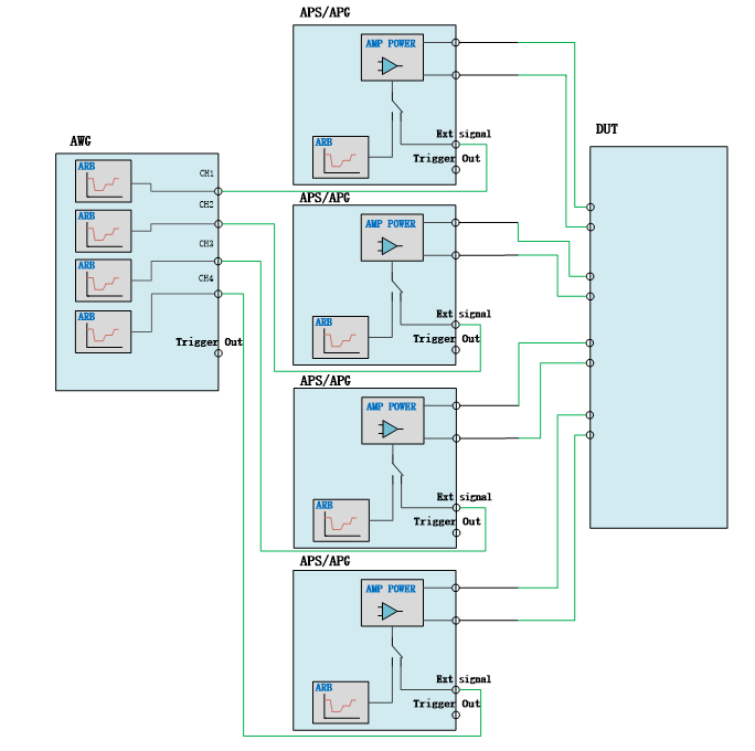
測試連接示意圖:
|
技術參數 |
|
|
通道數 |
1ch~4ch,2或 4通道可選 |
|
通道間同步精度 |
<1 us |
|
波形類型 |
DC波形、斜波、三角波、正弦波、方波、掃頻波、指數波、示波器存儲數據波形、用戶自定義編輯波形,不規則無規律任意波 |
|
可設波形參數 |
幅度、持續時間、頻率、DC偏移、整流、周期占空比、相位角,觸發 |
|
幅度和偏置變化 |
靜態,線性 |
|
頻率變化 |
靜態,線性,對數 |
|
開始、結束相位控制 |
0 ~ 360°,1°步進設置 |
|
整流 |
無,正,負,橋式整流,可編程 |
|
每通道頻率范圍 |
運算方式:500 kHz max正弦波、方波、三角波等波形包含掃頻、幅值、偏置、相位角 直接內存方式:DC-500 kHz任意波 |
|
波形輸出率 |
每通道25MSPS |
|
頻率分辨率 |
0.01 Hz |
|
上升/下降時間 |
≤100 ns @20 Vpp |
|
波形電壓幅值 |
0~±10.00 V |
|
負載能力 |
≥ 1 kΩ |
|
短路輸出保護 |
是 |
|
電壓設定分辨率 |
1 mV |
|
輸出線性度 |
± (0.2% + 10 mV) DC ±1% 0.01 – 100 kHz ±2% 100 – 350 kHz ±5% 350 – 500 kHz |
|
可引入文件類型 |
CSV |
|
引入文件波形點數 |
16 MB Max |
|
波形數據存儲 |
動態緩存數據存儲器1GB DDR3 非易失數據存儲器 32 GB NAND FLASH |
|
構成波形的片段 |
每個波形可達1000個片段,每個片段可由若干種類波形構成 |
|
段持續時間 |
10微秒到299小時 |
|
段間延遲 |
無 |
|
測試時間 |
1毫秒-9,999小時, 1到9999個計數 |
|
觸發示波器輸出 |
1個BNC插座 0-5 V 在波形生成軟件的任意點上設置觸發點,利用示波器的外部觸發功能監視生成的波形。 |
|
外部控制輸入 |
1個BNC插座 0-5 V輸入。可用于1~4CH波形的外部控制。 |
|
PC接口 |
以太網 |
|
通用參數 |
|
|
供電電壓 |
AC 90 V-260 V 50/60 Hz 100 VA |
|
環境溫度 |
15-35℃ |
|
相對溫度 |
15℃-35℃ |
|
尺寸 |
4U機箱 |
|
重量 |
約10 kg |
|
軟件(選配) |
|
通過自主開發的AutoLab軟件,用戶可以對波形片段或測試點編輯各種波形。根據不同需求,用戶可以用高級圖片工具調整波形,同時也支持其他方式記錄波形(例如示波器截取)。所有類型的波形均可下載到AWG 100。 AWG 100和APS、APG系列電源電壓故障模擬器進行配套使用。 |
|
隨機標配 |
|
主機一臺、說明書、檢測報告、質保書、測試線、電源線 |
全國免費服務熱線
4006-0512-77