
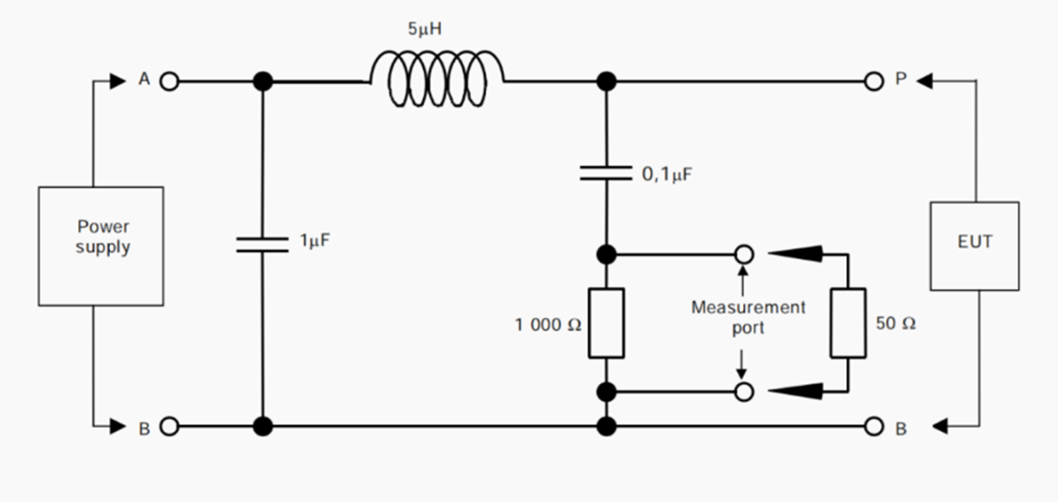
人工網絡TAN 400C主要用于CISPR 25測試中將低壓零部件與電源隔離,并用于電源線路上的傳導騷擾電壓測試。阻抗完全滿足CISPR 25標準人工網絡的特征。EUT連接到面板的OUTPUT輸出端,電源端口連接到面板INPUT輸入端。EMI測量端口為標準N型接口。
電路原理圖:
命名規則:
|
技術參數 |
|
|
500 VDC |
|
|
250 V 50 / 60 Hz、125 V 400 Hz |
|
|
400 A |
|
|
瞬時最大電流 |
500 A |
|
阻抗 |
5 μH‖50 Ω ± 10% |
|
阻抗頻率范圍 |
|
|
耦合電容 |
0.1 μF |
|
去耦電容 |
1 μF |
|
通用參數 |
|
|
N型 |
|
|
EUT電源端子 |
400 A同軸端子 |
|
機箱尺寸 |
200 mm(W)*220 mm(H)*420 mm(D) |
|
儀器重量 |
約 11 kg |
|
溫度范圍 |
15℃ ~ 35℃ |
|
濕度范圍 |
45%RH ~ 75%RH(無凝露) |
|
氣壓范圍 |
86 kPa ~ 106 kPa |
全國免費服務熱線
4006-0512-77