
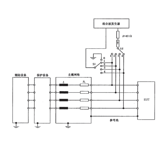
設計原理圖:
依據 IEC 61000-4-5:2017 Figure 9
|
技術參數 |
|
|
標 準 |
IEC/EN 61000-4-5/ ITU-T K.21 -2011 |
|
耦合波形 |
1.2/50 μs、8/20 μs |
|
輸出阻抗 |
SZR40(40 Ω±5% ) 標配 |
|
耦合波形 |
10/700 μs、5/320 μs |
|
輸出阻抗 |
SZR0(0 Ω) 標配(在發生器源阻抗40 Ω) |
|
脈沖電壓 |
6 kV (10 kV 需要定制) |
|
耦合模式 |
4對8線非屏蔽不對稱線-地、線-線 |
|
耦合器件 |
SCD90 (90 V氣體放電管)內置標配 |
|
通信接口規格 |
RJ45母連接器,連接電信線 |
|
數據速率 |
|
|
工作電壓 |
最大 90 V DC |
|
工作電流 |
最大 1 A |
|
去耦電感 |
20 mH |
|
殘余電壓 |
90 V(耦合浪涌電壓) |
|
通用參數 |
|
|
重量 |
約10 kg |
|
尺寸 |
360x220x135mm(長x寬x高) |
|
殼體材料 |
鋁材料 |
|
環境溫度 |
15°C-35°C (操作條件) |
|
相對溫度 |
45% - 75% (操作條件) |
|
包裝箱 |
紙箱 |
|
附件 |
|
|
測試線 |
紅、黑(雙頭護套) |
|
測試線 |
黃綠(一頭帶護套夾子一頭護套) |
|
網線 |
1 m(一頭網線一頭8線) |
|
網線 |
1 m(設備端網線4和6要跳線) |
|
電阻模塊 |
SZR0、SZR40 |
全國免費服務熱線
4006-0512-77